英格索兰空压机应用方案
其他 英格索兰空压机应用方案
英格索兰空压机应用方案

一、空压机工作原理简述

 

某大型金属制品厂有上海英格索兰公司生产的单级压缩螺杆式空气压缩机(以下简称空压机)4 台,因产品转型,用气量减少,经过现场观察和测试,认为存在比较大的节能空间,遂进行节能改造。该空压机工作原理是由一对相互平行啮合的阴阳转子 ( 或称螺杆 ) 在气缸内转动 , 使转子齿槽之间的空气不断地产生周期性的容积变化 , 空气则沿着转子轴线由吸入侧输送至输出侧 , 实现螺杆式空压机的吸气、压缩和排气的全过程。空压机的进气口和出气口分别位于壳体的两端 , 阴转子的槽与阳转子啮被主电机驱动而旋转。

原空压机的主电机功率为 75kW 两台,90kW两台,星 - 三角减压起动后全压运行,为典型的空载启动,全速运行。原系统工况存在如下的几个典型问题 :

1、主电机时常空载或轻载满速运行 , 属非经济运行 , 电能浪费严重。

2、主电机虽然星 - 角减压起动,但起动时的电流仍然很大 , 会影响电网的稳定及同供电支线上它用电设备的运行安全。

3、主电机 工频运 行时,空压机噪音大。

二、变频改造要求

根据原工况存在的问题并结合生产工艺要求 , 空压机变频改造后系统应满足以下要求 :

1、变频调速改造后应保持储气罐出口压力稳定 , 压力波动范围不能超过± 0.02Mpa 。

2、系统应具有变频和工频两套控制回路,以保证变频回路故障时能迅速切换到工频。

3、系统具有开环和闭环两套控制回路,压力闭环 PID 调节由变频器自身完成。

4、一台变频器能够控制两台空压机组 , 可用转换开关切换。

5、根据空压机的工况要求 , 系统应保障电动机具有恒转矩运行特性。

6、现场的改造要满足 EMC 要求,不能造成自身干扰或干扰其他设备。

7、改造后电机绕组温度和电机的噪音不超过电机允许的范围。

三、变频器的选型

根据上述原则,厂家经过多方调研、比较 , 最后选择麦米电气MV300G 系列通用型变频器 , 使该系统能够满足上述工况要求。

1、MV300G 为电流矢量型变频器,低频力矩大,过载能力强,在 10Hz 以上 1.5 倍的额定负载可工作 2min 以上。

2、MV300G 75kW 以上标配直流电抗器,可有效降低输入侧谐波,减少干扰。

3、MV300G 可接受的输入电压范围波动大,从交流 324 - 520V 都可以正常工作

4、客户考察了变频器的主要关键器件,如整流桥,逆变模块,电容,主芯片等,全部采用世界知名品牌,是产品可靠性的基本保证。

5、考虑到以后整个工厂自动化的升级,要求变频器能够内置 PROFIBUS-DP 总线和 CANOPEN 总线。

6、出于维护和售后的考虑,客户要求变频器内购内置 90kW 和 75kW 两套电机参数

为此,客户选择了 MV300G-4T90 的变频器两台。

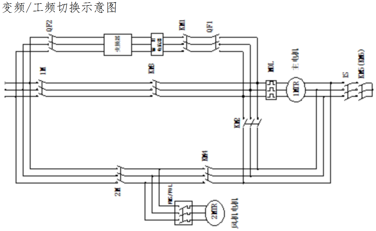
四、改造方案原理

变频器接线示意图

由变频器、压力变送器、调节仪、电机、螺旋转子组成压力闭环控制系统自动调节电机转速 , 使储气罐内空气压力稳定在设定范围内 , 进行恒压控制。系统构成如下图所示。

image.png

反馈压力与设定压力进行比较运算,实时控制变频器的输出频率,从而调节电机转速,使储气罐内空气压力稳定在设定压力上。

image.png

图中QF1、QF2是空气开关,起隔离作用,同时QF2也是变频柜的电源开关;KM1、KM3、和KM2、KM4是两对机械联锁接触器,起隔离作用。变频时,KM1、KM2同时吸合,KM3、KM4同时断开;工频时KM3、KM4同时吸合,KM1、KM2同时断开。变频运行程序:将QF1、QF2合上,由控制回路将KM3、KM4断开,KM1、KM2吸合,然后起动系统变频运行;工频运行程序:将QF1、QF2断开,由控制回路将KM3、KM4吸合,KM1、KM2断开,恢复原来工频运行方式。输入电抗器的作用是抑制变频器对其它控制电气设备的干扰,输出电抗器的作用是改善变频器输出波形,减少电机变频运行时的噪声,减小电机变频运行时发热。其中1M为原工频主回路接触器,2M为原工频主回路及风机回路接触器,1S为原工频回路接触器(1M、2M、1S三者构成原工频星角起动主回路),KM5、KM6分别为1#和2#机组隔离接触器。

五、系统调试

调试工作分成两部分:

1、变频器驱动电机调试,保证变频器驱动电机能正常加速,减速,恒速运行,变频器电流稳定无震荡,电机工作正常。此时需要观测空压机的压力上升是否稳定,压力变送器显示是否正常,设备停机是否正常等。

变频器参数设定

功能码

名称

设定

意义

 

P02.00

电机与模式选择

2

异步电机,V/F

 

P02.02

控制方式

1

端子控制

 

P02.04

主给定频率源

5

过程闭环PID

 

P09.01

X2端子功能

22

故障复位输入

 

P12.01

节能运行

1

节能模式打开

 

P14.00

PID给定通道

2

AI2

 

P14.01

PID反馈通道

0

AI1

 

2、系统联动调试。

在完成变频器驱动电机调整后,进行系统联动调试。调试的主要步骤:

① 将变频器接入系统。

② 进行工频旁路的运行。

③ 进行变频回路的运行,其中包括开环与闭环控制两部分调试:

主要依据变频器频率上升与下降的速度和空压机压力的升降相匹配,不要产生压力振荡,还要注意观察机械共振点,将共振点附近的频率跳过去,以及停机状况下看能否顺利切换到工频状态,这个主要是验证系统的接线情况。

六、空压机变频改造后的效益

1、节约能源

    变频器控制压缩机与传统控制的压缩机比较,能源节约是有实际意义的,根据空气量需求来供给的压缩机工况是较为经济的运行状态。下表是主机为75kw的空压机改造前后电机的测试参数表:

 

电流(A)

电压(V)

频率(Hz)

实际功率(KW)

节电率(%)

改造前

122

380

50

65.3

0

改造后

110

221

29

38.1

41.9

    从上表可证实,节电效果十分明显。如果空压机每年按300天工作日计算,则每年可节约电能19.58万度。

2、运行成本降低

    传统压缩机的运行成本由三项组成:初始采购成本、维护成本和能源成本。其中能源成本大约占压缩机运行成本的77%。通过能源成本降低41.9%,再加上变频起动后对设备的冲击减少,维护和维修量也跟随降低,所以运行成本将大大降低。

3、提高压力控制精度

    变频控制系统具有精确的压力控制能力。使压缩机的空气压力输出与用户空气系统所需的气量相匹配。变频控制压缩机的输出气量随着电机转速的改变而改变。由于变频控制电机速度的精度提高,所以它可以使管网的系统压力变化保持在3pisg变化范围,也就是0.2bar范围内,有效地提高了工况的质量。

4、延长压缩机的使用寿命

    变频器从0Hz起动压缩机,它的起动加速时间可以调整,从而减少起动时对压缩机的电器部件和机械部件所造成的冲击,增强系统的可靠性,使压缩机的使用寿命延长。此外,变频控制能够减少机组起动时电流波动,这一波动电流会影响电网和其它设备的用电,变频器能够有效的将起动电流的峰值减少到较低程度。

5、降低了空压机的噪音

    根据压缩机的工况要求,变频调速改造后,电机运转速度明显减慢,因此有效地降了空压机运行时的噪音。现场测定表明,噪音与原系统比较下降约5分贝。