流延膜挤出机应用方案
橡塑机械 流延膜挤出机应用方案
流延膜挤出机应用方案

一、引言

流延薄膜具有优越的热封性能和优良的透明性,是主要的包装复合基材之一,用于生产高温蒸煮膜、真空镀铝膜等,市场极为看好。随着国内流延膜市场的需求提升,先进的流延膜机也有了广阔的市场,自动化的流延膜生产线有着光明的前景。

流延膜挤出机通过加热原料,挤压原料浆,压制冷却,收卷包装等过程,将原料颗粒或粉末加工成流延膜产品。

二、控制要求

  • 不同原料的添加量控制

  • 模头加热温度监控与调节

  • 牵引辊、冷却辊、压花辊同步

  • 收卷张力反馈、调节

  • 根据收卷长度进行切割、换卷控制

 

三、控制方案

blob.png

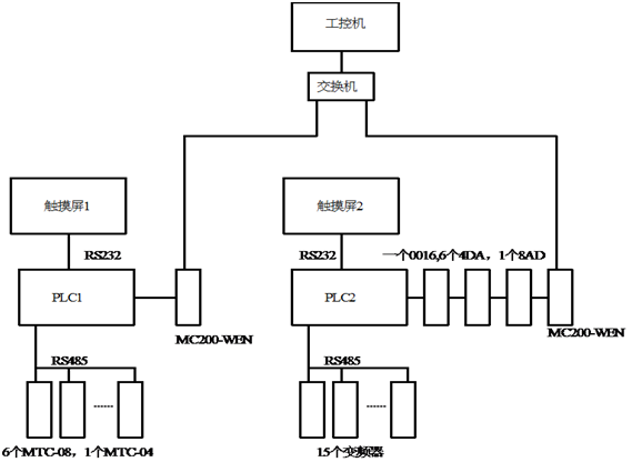
      因该生产线比较长(穿过三个房间),本系统把加热部分和传动部分分别进行单独控制。加热部分通过本地触摸屏独立控制加热,传动部分则通过本地触摸屏进行单动和联动操作。

     同时,在中控室里通过麦米电气公司的组态软件 ViewPanel 对整个流延膜控制系统进行操作。加热、传动、中控室之间采用以太网的方式进行通信。  

     传动系统: PLC 控制变频器,调节喂料电机的转速,实现原料添加量的控制。调节转速保持牵引辊、冷却辊、压花辊的同步。

     加热系统:通过 MTC 温控模块控制整体喂料、挤出等的温度。 MTC 自带 PID 控制,可精确、方便的控制50路温度。

blob.pngblob.png

blob.pngblob.png

blob.pngblob.png

四、总结

      1 、MC200系列PLC计算速度快,稳定性高。

     2 、子程序功能,无需将程序全放在主程序中完全扫描,减少了程序调试周期以及扫描时间。

     3 、通过标准 Modbus 网络控制变频器,降低成本,抗干扰性好。

     4 、 ViewPanel 是一款麦米电气组态软件,与麦米电气 MZ600 系列触摸屏无缝连接。即 ViewPanel 与 MZ600 触摸屏共用 View Builder 开发平台。设计者编辑好界面后,可自由选择使用触摸屏或是使用组态软件来运行控制,而无需重复设计界面。

     5 ;、 MTC 是一款麦米电气自主研发的温度控制器,自带 PID 自整定和多段温度控制功能,控温精度高。